网站首页
产品中心
关于我们
新闻中心
联系我们
Hi,欢迎来到深圳富鑫和电子有限公司!
关注微信
网站地图
一站式供应链服务平台
深圳富鑫和电子有限公司
首页
产品中心
关于我们
新闻中心
联系我们
产品详情[EC21A1540401]
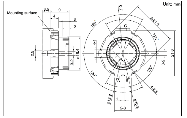
EC21A1540401-EC21A1540401编码器
21.6x21.6x4 21型中空轴装置 适合多功能化的中空型,满足节省空间化的厚4mm薄型。
产品规格书
产品介绍
定位扭矩: 7±5mN·m
操作部长度: 9mm
操作寿命: 50000 cycles
定位数: 30
联系我们
COMPANY INFORMATION
关·注·我·们
服务热线:0755-23318645(直线)/23318245/23318646(总机)
深圳市富鑫和电子有限公司
传真:0755-23318246
网址:www.fuxinhe.com
地址:深圳市龙华区油松路兴龙富创客园大厦7层716-718室
友情链接
FRIENDSHIP LINK
阿尔卑斯(Alps)
罗姆(ROHM)
村田(Murata)
圧着端子(JST)
广濑(HIROSE)
恩智浦(NXP)
三星(Samsung)
泰科(TE)
公司提供:阿尔卑斯阿尔派(Alps Alpine)、压着端子(jst)、罗姆(rohm)、村田(murata)、广濑(hirose)、恩智浦(nxp)、三星(samsung),泰科(te)等品牌开关和各类电子元器件
地址:深圳市龙华区油松路兴龙富创客园大厦7层716-718室 电话:0755-23318645(直线)/23318245/23318646(总机)
深圳市富鑫和电子有限公司 版权所有
粤ICP备16126432号-1
客服
在线客服
电话